Выполнены проекты по замене маслоохладителя (МОТ) смазки на ТГ-3, ТГ-4, ТГ-7. Замена существующего маслоохладителя производится в связи с износом.
Получены приказы об утверждении проектной документации.
Проектом предусматривается замена маслоохладителя (МОТ) смазки на ТГ-3, ТГ-7, ТГ-4 с запорной арматурой на входе-выходе по линии масла и охлаждающей воды в связи с износом оборудования, а так же предусматривается:
-Демонтаж существующего маслоохладителя тип М-240;
-Демонтаж существующей запорной отсечной арматуры маслоохладителя;
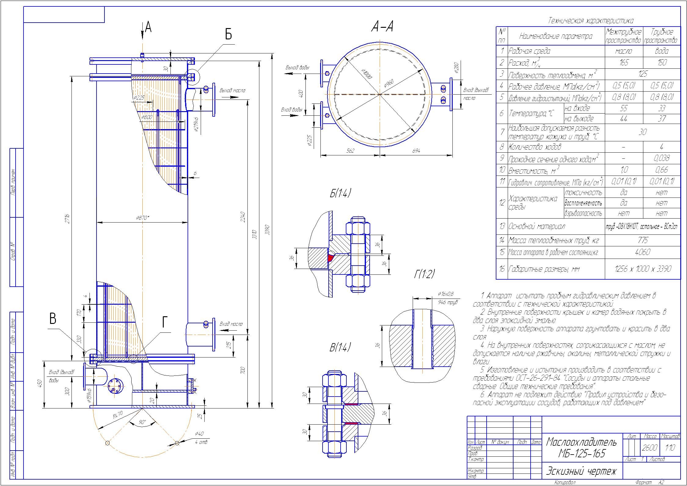
-Установка нового маслоохладителя типа МБ-125-165;
-Установка новой запорной арматуры полиния масла и воды;
-Присоединения по фланцам. Маслоохладитель МБ-125-165 поставляется без нижней камеры. В комплект поставки входят ответные фланцы и крепеж;
-Схема подключения маслоохладителя к системе масла и воды не изменяется;
-После окончания монтажных работ необходимо провести гидравлические и пуско-наладочные испытания.


